公司信息

  • 中国·上海市浦东新区浦东大道2000弄6层600室
  • elinker@cnelinker.com
  • 021-50937138; 021-50937136; 021-58858552

权威认证

  • UL
  • CE
  • CQC
  • ISO
  • MA
  • ROHS

相关网站

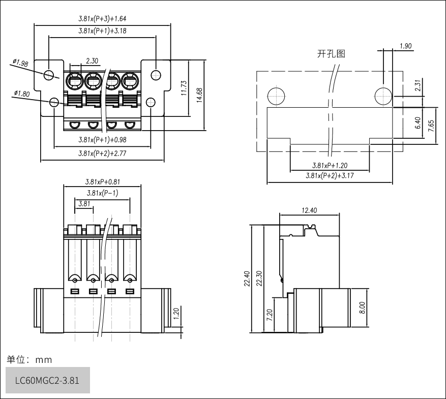
LC60MGC2-3.81

产品品牌

Elinker

产品颜色

常规绿色,其他颜色支持定制

产品服务

提供3D模型/规格书,阶梯报价,专业售后回访

产品位数

2-22P

同类型产品选型

查看

PDF规格书下载 在线3D模型

接线端子技术资料